Mahlzeit zusammen,
ich habe eine kurze Frage zum Thema Aktor und Schalter.
Ich habe im Wohnzimmer Rollladen mit Motor und als Schalter einfache Schalter. Also schalte ich nach rechts, gehen die Rollos hoch, nach links runter und wenn ich auf Mitte stellen bleiben die stehen.
Jetzt möchte ich die gerne ins HA einbinden per Zigbee.
Da gibt es ja Aktoren für.
Was ich mich frage, ob das so überhaupt funktioniert oder ob die dann immer in der Mittelstellung sein müssten. Weil wenn ich die am Schalter hochfahre liegt ja konstant ein Signal am dem Kanal an. Wenn ich dann in HA sage runterfahren müsste ja der andere Kanal angesprochen werden, dann wäre ja theoretisch auf beiden Kanälen ein Signal.
Kann sowas funktionieren? Oder müsste ich die Schalter gegen Taster austauschen?
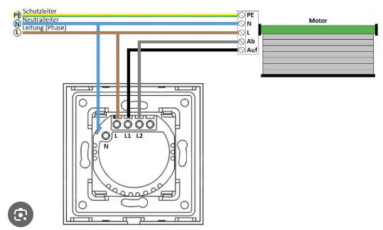
Ich benitze diese zigbee Aktoren, da ich auch noch eine manuelle Bedinung wollte. Die vorhandenen mechanischen Schalter habe ich einfach durch die neuen zigbee Geräte ausgetauscht.
Die Schaltung sieht dabei so aus:

Wie du sehen kannst, werden dabei für hoch & runter zwei getrennte Steuerleitungen genutzt. Der Zigbee-Schalter gibt dann immer nur auf einer Ader Spannung, damit der Motor fährt. Sobald du am Schalter oder per zigbee den Stopp Befehl gibst, werden beide Adern spannungsfrei geschaltet und der Motor stoppt. Dass auf beiden Leitungen gleichzeitig Spannung anliegt, wird vom Schalter verhindert.
Gruß, Lars
Also doch keine Unterputz Aktoren sondern neue Schalter.
Kann man die LEDs darin dimmen oder abschalten?
Für mich war das die beste Lösung - natürlich gibt es solche Aktoren auch als Unterputz Variante, welche die dann ganz unsichtbar ohne mechanische Schalter nur per zigbee betreiben kannst oder deine eigenen Schalter anschließt.
Ja, das geht. Hier die Entitäten aus z2m:
Gruß, Lars
Super danke.
Dann werde ich mir die wohl bestellen.
