Relais im Schaltkasten mit Zigbee Relais ersetzen

Ich habe mir das Datenblatt angeschaut. Du hast recht, ich hab das falsch verstanden (bin halt auch nur *an-*gelernt). Ich hatte das als Stromkreis von A1 durch den Taster in A2 interpretiert. Tatsächlich geht der Stromkreis von Phase über Taster in A1 und aus A2 in die Neutralleiter schiene.

Dann ist aber meinee Vermutung doch bestärkt, den eltako einfach durch ein sonoff ZBMINIR2 zu ersetzen, oder?

Ich würde das wie folgt (von einer sachkundigen elektrofachkraft) anschließen (lassen):

Kabel Eltako ZBMINI-R2

Phase (L) 1 L in
Lampendraht 2 L out
Neutralleiter (N) A2 N
Tasterdraht A1 S2

Was denkst du dazu?

Das würde ich genauso machen.

Dein anvisierten Relais hat jedoch kein N. Daher kann man das nicht 1:1 übernehmen. Deinen Bildern zu urteilen und dem Plan vom Sonoff würde ich es wie folgt machen:

Den einen Draht, bspw. den grauen, auf S1 und bspw. den Schwarzen auf S2. Denn das sollten die Adern der beiden Taster sein. Einen N brauchst du hier nicht, zumindest nicht nach dem Plan von Sonoff. Da ist halt jedes Relais anders.

Ich meine durchaus das ZBMINIR2 - mit Neutralleiter.

Das hat gegenüber dem L2 den Vorteil, dass es auch als Router fungiert und mein zigbee mesh stabilisiert.

Ich schließe das mal an und berichte :+1:

Ok, in dem Fall kommt der N aus A2 natürlich an den dortigen N.

Habs eben getestet. Verkabelt wie beschrieben.

Das Ergebnis war spannend

  • Die Lampe im Flur leuchtet dauerhaft. Sie reagiert weder auf Befehle aus der App noch auf die angeschlossenen Taster.
  • Mit einem Phasenprüfer messe ich an allen Anschlüssen eine permanente Spannung: an L-in und L-out (was bei leuchtender Lampe logisch ist), aber eben auch am Schalteingang S2.
  • Ein interessantes Detail: Wenn ich einen der Taster betätige, leuchtet der Phasenprüfer am S2-Eingang noch heller.

Was ich bereits geprüft habe:

  • Der ZBMINIR2 ist online und in der App ansprechbar. Das interne Relais klickt auch bei Schaltbefehlen (beim Einschalten lauter als beim Ausschalten).
  • Ich habe die Adern am alten Eltako nochmals geprüft und bin mir zu 100 % sicher, dass die Identifizierung der Kabel (Phase, Neutral, Taster-Draht, Lampen-Draht) korrekt ist.

Meine Fragen:

  • Was könnte hier die Ursache sein?
  • chatgpt meinte, die Taster auf Glimmlampen zu prüfen, das halte ich erstmal für nicht zielführend.
  • Kann ein Defekt des ZBMINIR2 die Ursache sein? Gibt es eine Möglichkeit, Logs auszulesen oder eine Diagnose zu starten, um das Gerät zu prüfen?
  • Oder ist der ZBMINIR2 für den Ersatz eines Eltakos im Verteiler grundsätzlich ungeeignet?
  • Noch ein Vorschlag der KI: eine Draht Klemme von L in auf S1. Ich glaube die halluziniert, oder? :sweat_smile:

Von ferne da die Verdrahtung herauszufinden ist schwierig. War auch nur eine Annahme aufgrund deines Fotos. Ich würde systematisch an die Sache herangehen und die Quelle der Spannung suchen. Das ist ohne das entsprechende Messwerkzeug (zweipoligen Spannungsprüfer oder Multimeter mit Messspitzen) jedoch schwierig unter der gebotenen Sicherheit durchführbar. Wie ich vorgehen würde:

  • Freischalten und Spannungsfreiheit feststellen
  • Alle Adern lösen und auf die Enden eine Wago-Klemme
  • Sicherung einschalten
  • Mit dem Multimeter durch die vorgesehene Öffnung auf der gegenüberliegenden Seite des Einschubs die Spannung messen.

Mit einem reinen Spannungsprüfer in Form eines Schraubendreher kommt man vermutlich nicht in die entsprechende Öffnung in der Wago-Klemme. D.h., man müsste an den offenen Aderenden messen ohne Berührungsschutz - > :warning: Lebensgefahr!

Was ich erwarten würde:

  • Die Ader, die vorher in 1 war, hat Spannung
  • Der Lampendraht aus der 2 keine Spannung
  • Der N nicht
  • Die graue und schwarze Ader nicht, solange kein Taster betätigt ist (sofern der Taster ein Schließer ist. Ist er ein Öffner, verhält es sich umgekehrt - > Wenn er nicht betätigt ist, ist Spannung vorhanden)

Wenn die graue und/oder schwarze Ader Spannung führt, bei den Tastern schauen ob dort die Spannung herkommt. Und was für ein Typ die Taster sind: Schließer oder Öffner. Ich würde einen Schließer erwarten, aber wer weiß. Sollten es Öffner sein, würde ich diese durch Schließer tauschen. Sollten es Schließer sein, weiß ich aktuell auch nicht weiter.

Heute bin ich dazu gekommen, das ganze nochmal zu testen.

Es ist genau so, wie du erwartet hast:

1 hat immer Spannung

2 hat Spannung, wenn der Schalter im eltako geschlossen ist.

Graue und schwarze Ader haben dann Spannung, wenn der Taster gedrückt wird.

Also entweder hat der sonoff nen Schuss, oder er kann es einfach ab Werk nicht :person_shrugging:..

***

Also vielleicht doch zum ursprünglichen Plan den eltako durch ein zigbee fähiges Gerät zu ersetzen. Ich hatte ja bereits das Gerät von Ali gepostet. Auf dem Gerät ist ein installationsplan angegeben.

Darauf sieht es jetzt auch wieder so aus, als sollten die Taster Strom von A1 bekommen und den Impuls beim schließen an A2 weitergeben. Oder hab ich das (wie beim eltako installationsplan auch) wieder falsch interpretiert?

Falls ich es richtig verstanden hab, ist das vielleicht der Grund, warum der erste abgeraucht ist? Den hab ich nämlich einfach wie den eltako angeschossen, also der stomimpuls kommt bei A1 an und geht von A2 auf den neutralleiter. Dadurch konnte ich das relais über home Assistant bedienen, als ich einen Taster gedrückt habe ist die Sicherung geflogen und seitdem macht das Teil keinen mucks mehr..

Wie hätte ich denn anschließen sollen?

Das sieht für mich doch recht eindeutig aus

  • Klemme 1 und 2 sind der Schließer, mit dem du die Lampe schaltest. Dabei wird davon ausgegangen, dass an der Lampe an der “anderen” Seite ein N angeschlossen ist.
  • Klemme A1 und A2 stellen die Kontakte dar, an denen du die vorhandenen Taster parallel schaltest.
  • Klemme N und L sind für den Dauerstrom für den Betrieb des zigbee Schalters zuständig.

Gruß, Lars

PS: Es wäre noch etwas einfach zu lesen gewesen, wenn das Bild nicht auf dem Kopf stehen würde.

Du schreibst ja das dein Nachbar Elektriker ist und das anschließt daher müsste er ja wissen wie der Stromstroßschalter funktioniert?

Hatte das Gleiche bei mir.
Es gibt 2 Varianten entweder kann dein Schaltaktor auf Stromstoß schalten (Mein BSH Lichtsteuerung 2 konnte ich umstellen)
Dann den Eltako Stromstoß raus und direkt auf dem Aktor oder er kann es nicht dann lass ihn drin und er soll den Abgang auf den Aktor klemmen dann ist die Funktionsweise die Gleiche wie bei einem Lichtschalter.

Ist tatsächlich kein Problem :+1:

Edit: Bezüglich der Hutschiene und vernünftiger Befestigung gibt es online i.d.R. auch Befestigungsadapter zu kaufen die Leute/Firmen hergestellt haben :wink:

Ja, das hab ich mir auch gedacht. Ich bin am Handy und hab gerade nicht die Option gefunden den Anhang zu drehen :sweat_smile:

Danke für den Tipp! Das ist echt genial einfach. Den switch einfach nach dem eltako einzubauen, so dass der Eltako vom switch als einfacher Schalter genutzt wird.
Mensch warum bin ich da nicht früher drauf gekommen :person_facepalming:

Magst du vielleicht noch in meinem anderen Thread vorbei schauen? Vielleicht kennst du auch noch eine gahz pragmatische Lösung für meine Sparwechselschaltung.


Zurück zum Thema: ich habe beide Vorschläge (anstelle und nach dem eltako) getestet und auagemessen. Ergebnis: der sonoff muss nen Schuss haben. Das relais klickt zwar, schaltet/trennt den Strom von L out aber nicht mehr :person_shrugging:
Eine Mulitmetermessung ohne angeschlossenen Schalter hat das leider bestätigt.

Also geht der sonoff zurück. Sobald Ersatz da ist, melde ich mich nochmal und gebe ein Update.

Ich habe gerade den gleichen Ansatz versucht, wollte mein altes Eltako mit nem ZBminiR2 smart machen. Habe versucht einfach den Schaltausgang vom Eltako (an dem die Lampe hing) auf den S1/2 vom ZBminiR2 zu legen… Leider bis dato ohne Erfolg!

Schau morgen noch mal in Ruhe, bin sicher dass es so gehen sollte!

Guten Abend Alle Zusammen,

ich klinke mich hier mal ein.

In meinem Schlafzimmer habe ich eine Tasterschaltung (3x Taster 1x Lampe) verbaut, im Sicherungskasten der dazugehörige Eltako S12-100. Diese Schaltung würde ich nun gerne um Zigbee umändern. Kann ich dieses Zigbee Hutschienen Steuergerät 1:1 gegen das vorhandene Eltako tauschen.

Vielen Dank schonmal im Voraus

Ganz kurz: Ja kannst du.
Alternative: Zigbee Relais hinter den vorhandenen Eltako bauen

1 „Gefällt mir“

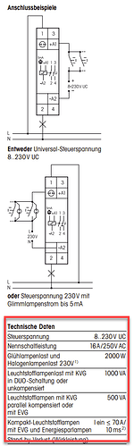
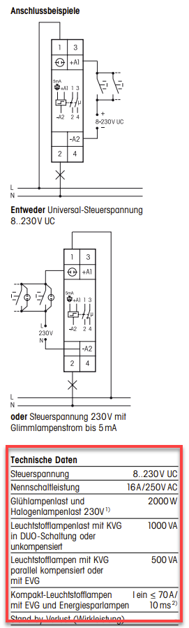
Hier nochmal die technischen Daten des Eltaco, welche der Shelly abdeckt:

Gruß, Lars

Wäre denn der Anschluss so korrekt?

Beim Eltako

1: Phase

A1: Phase: Tastdraht

A2: Neutralleiter

2: Lampendraht (Phase die zur Lampe führt)

LED Trading

ACN: Neutralleiter

ACL: Phase

ACL 2 Anschluss: freilassen

Push: Tastdraht

ACL Out: Lampendraht

ACN Anschluss neben Lampendraht: kann doch auch freibleiben, Neutralleiter müsste doch durchgeschliffen werden

1 „Gefällt mir“

Guten Morgen,

Deine Beschreibung passt…

Grüsse Rolo (Elektriker)

! Obligatorischer Hinweis: Arbeiten an Elektroanlagen

nur durch Fachpersonal usw :wink:

2 „Gefällt mir“

Guten Morgen,

prima vielen Dank für deine Hilfe.

Hallo zusammen,

Ich habe es mir auch zur Aufgabe gemacht meine Stromstoßschalter smart zu machen. Das ganze habe ich vor ca. 1 Jahr genauso gelöst wie in diesem Thread beschrieben.Ich habe einen Sonoff ZBMinil2 und einen ZBMinir2 verbaut und wollte jeweils einen Stromstoßschalter damit ersetzen. Das hat nicht funktioniert, dann habe ich genau wie in dem Thread beschrieben einfach die Stromstoßschalter lassen und habe die Stromstoßschalter als Signal für meine Sonoff Geräte benutzt, das hat soweit geklappt.
Jetzt ist es aber soweit dass der erste Sonoff den Geist aufgegeben hat. Nach langem Überlegen habe ich beschlossen, dass es Zeit ist den Stromstoßschaltern den Kampf anzusagen. Dazu hätte ich noch zwei Zeitschalter, die würde ich in diesem Zuge auch abschaffen.

Geplant hätte ich den Einsatz des Shelly Pro 4PM. Damit kann ich 4 Geräte ersetzen und auch noch den Verbrauch messen. Nach dem Einbau kann ich damit zwar die Lampen schalten, aber die Taster funktionieren nicht. Ich hab das jetzt alles mal durchgemessen. Soweit ich das beurteilen kann gibt es folgendes Problem:
Wenn ich einen Taster drücke, ändert sich nicht die Spannung von 0 auf 230 sondern lediglich von 220 auf 230. Bei mir liegt an A1 quasi dauerhaft 220V an. Meine Taster sind beleuchtet und verbrauchen deshalb immer Strom, das müsste der Übeltäter sein. Drückt man einen Taster steigt die Spannung auf 230V. Das Stromstoßrelais erkennt das und schaltet, dem Shelly ist das aber komplett egal.

Hat irgendjemand eine Idee wie man das Problem lösen kann? Oder vllt eine andere Lösung gefunden um die Stromstoßschaler nicht nur smart zu machen, sondern komplett zu ersetzen.

Die Schalter ersetzen, also Taster ohne Beleuchtung.

Gruß Osorkon

Ok, womöglich ist das Unsinn mit den Leuchten in den Tastern. Die kann man rausziehen habe ich gemerkt. Das habe ich jetzt einfach mal getestet und es funktioniert trotzdem nicht …